Аудио стерео усилитель PAM8406
🎵 Усилитель аудио стерео PAM8406 2×3 Вт (4 Ом) — без помех, класс D/AB
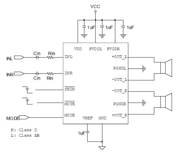
PAM8406 — компактный стерео усилитель звука с низким уровнем помех, поддерживающий два режима работы: класс D и класс AB. Отличается высокой эффективностью, минимальным уровнем шума и надёжной защитой динамиков. Идеально подходит для DIY-проектов, мини-аудиосистем, колонок и других звуковых устройств.
⚡ Технические характеристики:
-
Питание: 5 В
-
Размер платы: 32,5 × 26,5 × 10 мм
-
Режимы работы: класс D / класс AB
-
Выходная мощность:
-
5 Вт при 10% нелинейных искажениях, нагрузка 2 Ом, питание 5 В (класс D)
-
3 Вт при 10% нелинейных искажениях, нагрузка 4 Ом, питание 5 В (класс AB)
-
-
Фильтров нет, низкий ток покоя, отсутствие электромагнитных помех
-
Эффективность (КПД): до 90% в режиме класса D
🔧 Особенности:
-
Чистый звук без треска при включении/выключении питания
-
Полная защита от короткого замыкания с автоматическим восстановлением
-
Защита от перегрева
-
Минимум внешних компонентов — легко интегрируется в проекты
-
Компактные размеры для использования в ограниченном пространстве
📦 Идеально подходит для DIY-проектов, портативных колонок и мини-аудиосистем.
















Отзывы
Отзывов пока нет.